- Home
- /
- News
- /
- Industry News
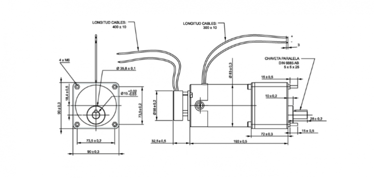
Harsh Environment IP-66 Motors & Gearmotors


The product line includes Permanent Magnet DC, Brushless DC, and AC Induction motors ranging from 0.05 hp to 1.0 hp. Any of the motors work with Right Angle, Parallel Shaft or Planetary speed reducers to create an integrated, IP66-rated gearmotor solution.
“Most of our customers and prospects, when they hear these application stories, are impressed with our engineering capabilities,” added Johnny. “Its our depth of engineering expertise that convinces them that they can trust the Dolin machines team to follow through – from design promise to execution.”
Solid experience with fluid power and pumping applications provides a firm foundation for the IP66 capability. This is particularly notable where acidic solutions and corrosive chemicals are involved. Typically these applications require the motor/gearmotor to be completely watertight.

Additionally, they must be capable of withstanding extremes in vibration and submersion. That being said, Dolin proven and tested knowledge of both bearing materials and sealing methods specific to these dolin applications allows us to quickly and reliably propose cost-effective designs for these hostile environments.
Johnny reports that recent Dolin engagements have specifications that exceed IP66. As a result, both the customers and Dolin engineers are confident that these next level designs can be achieved.
“With each new project in our IP66 product line, our capability continues to expand and ultimately, all of our customers can reap the rewards,” he concluded.
Newer articles
- Why Are Gear Reduction Starters Replacing Direct Drive Starters? (19/02/2018)
- Select the right motor for your hydraulic applications (27/02/2018)
- How to select a motor for an industrial application (27/02/2018)
- Why do we combine a servo motor with a gearbox (05/03/2018)
- Synchronous & Induction Motors: Discovering the Difference (17/02/2018)
- Everything You Need to Know About Gear Reducers (17/02/2018)
- Advantages and disadvantages of different types of gears (01/09/2018)
- How to Select a Gearmotors (01/10/2019)
- AC Motor Manufacturing Process Flow (Electric Motors) (18/02/2018)
- What are Brushless DC Motors (31/05/2019)
Older articles
- Gearbox Motors vs Integrated Gearmotors (16/04/2008)
- AC or DC? brushed DC or brushless DC Gear Motor? (24/04/2008)
- Advantages And Disadvantages of Induction Machines (10/01/2018)
- The Dangers of Deference (01/01/2018)
- How to Select a Gearbox Supplier (11/01/2018)
- Right Angle Speed Reducers Explained (01/01/2018)
- Three Phase Induction Motors (17/02/2018)
- Factors to Consider When You Buy an Electric Motor (17/02/2018)
- DC Motor Manufacturing Process Flow (Electric Motors) (10/02/2018)
- SINGLE-PHASE INDUCTION MOTORS (Electric Motor) (10/02/2018)





Join